[ 오토캐드 - 실무 ] 155강 동력전달 부품 커플링 도면해독 및 도면제도, 투상 방법 (KS규격 및 대칭제도, 온단면도, 볼트 구멍, 해칭, 치수, 공차, 표면거칠기, 주서)
** 안녕하세요. 토이즈코리아 입니다. **
** 문의사항 toyskorea@naver.com **
0, 예제 파일 등 다운로드 URL
첨부파일 참조
1, 작업제목
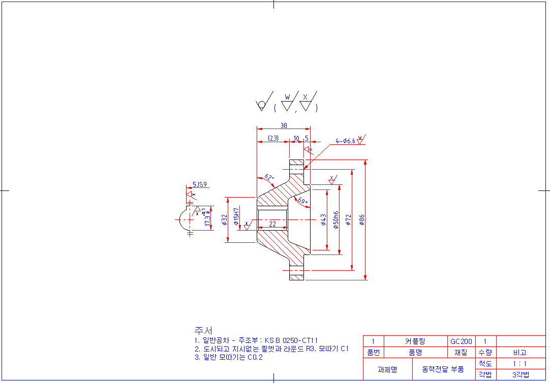
(1) [ 오토캐드 - 실무 ] 155강 동력전달 부품 커플링 도면해독 및 도면제도, 투상 방법 (KS규격 및 대칭제도, 온단면도, 볼트 구멍, 해칭, 치수, 공차, 표면거칠기, 주서 등)
(2) CAD Design - Coupling Part Drawing
2, 작업설명
(1) 동력전달 부품 커플링 도면해독 및 도면제도, 투상 방법에 대한 설명
(2) KS규격 및 대칭제도, 온단면도, 볼트 구멍, 해칭 등 작성 방법에 대한 설명
(3) 해칭, 치수, 일반공차 및 끼워맞춤공차, 표면거칠기, 주서 작성 방법에 대한 설명
(4) 오토캐드 명령어 단축키 활용 방법에 대한 설명 (오토캐드 2024 버젼 활용)
3, 오토캐드 명령어 단축키 리스트
(1) REC-사각형그리기, XL-무한대선, O-옵셋, L-선그리기, TR-트림, S-신축, BR-끊기, CHA-챔퍼
(2) F-필렛, E-지우기, H-해칭, X-분해,LE-지시선, T-문자, A-원호, M-이동, SC-축척, POL-다각형
(3) CH-특성창, MA-특성복사, DLI-수직수평치수, DAN-각도치수, %%C-지름기호 등
4, 특이사항
(1) 주서 내용을 확인하여, 도시되고 지시없는 필렛과 라운드, 모따기 형상을 각각 제도하도록 합니다.
(2) 대칭형상의 제도시, 대칭 중심에서 한쪽부분을 먼저 완성하고, 나머지 부분은 대칭복사하여 제도하도록 합니다.
(3) 표면거칠기의 표시시, 표면거칠기 면의 치수보조선에 표시하도록 합니다. (표면에 바로 표시하는 경우도 있습니다.)
5, 기타
(1) 오토캐드 2024 기본 및 실무 능력 향상
(2) 전산응용기계제도기능사 및 기계설계산업기사, 일반기계기사, CAT 2급 실기 자격증 대비 가능
(3) 임용고시 2차 기계요소 제도 및 설계 시험 대비 가능 및 캐드 실무 단기속성 능력향상 등





