728x90
반응형
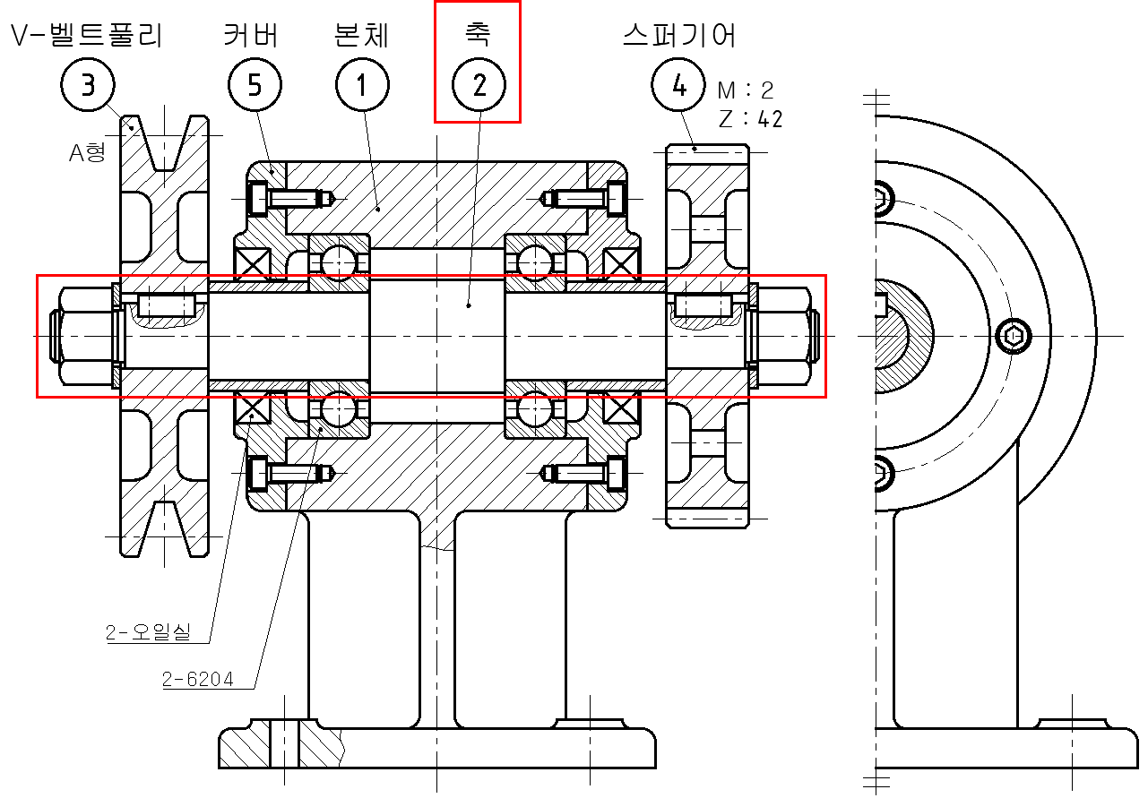
오토캐드 실무 자격증 기계제도 기계설계 도면그리기 041 (명령어 단축키 활용) 축 부품, 투상 및 측정, 도면제도 (동력전달장치 - 볼베어링 6204 대칭 타입)
1, 예제 도면 파일 등 다운로드 URL
첨부파일 참조
2, 작업제목
(1) 오토캐드 실무 자격증 기계제도 및 기계설계 작업 041
(2) 축 부품, 투상 및 도면제도 (볼베어링 6204 대칭 타입)
3, 작업설명 (동력전달장치 TK-001)
(1) 부품 전체 측정 및 제도 방법
(2) 수나사(미터가는나사) 및 나사틈새 제도 방법
(3) 키 홈 및 베어링 구석 홈부분 제도 방법
(4) KS규격집 및 캐드 명령어 활용 방법 등
4, 오토캐드 명령어 단축키 리스트
(1) XL-무한대선 / O-옵셋 / TR-트림 / F-필렛 / CHA-모따기
(2) CH-특성창 / MA-특성복사 / SPL-스플라인선 / H-해칭
5, 기타
(1) 전산응용기계제도기능사 및 기계설계산업기사 실기 대비 가능
(2) 일반기계기사 실기 및 CAT 2급 대비 가능
(3) 임용고시 2차 기계요소 제도 및 설계 시험 대비 가능
(4) 캐드 초보자 단기속성 능력향상
(조립도) 동력전달장치 TK-001 (유튜브 강의용).pdf
0.05MB
오토캐드 실무 자격증 기계제도 기계설계 041.dwg
0.33MB








728x90
반응형