[ 오토캐드 2023 - 기계제도 ] 28강 도면 치수 표시 및 치수 기입 원칙 (이론) - AUTOCAD Mechanical Drawing
* 안녕하세요. 토이즈코리아 입니다. *
* 문의사항 toyskorea@naver.com *
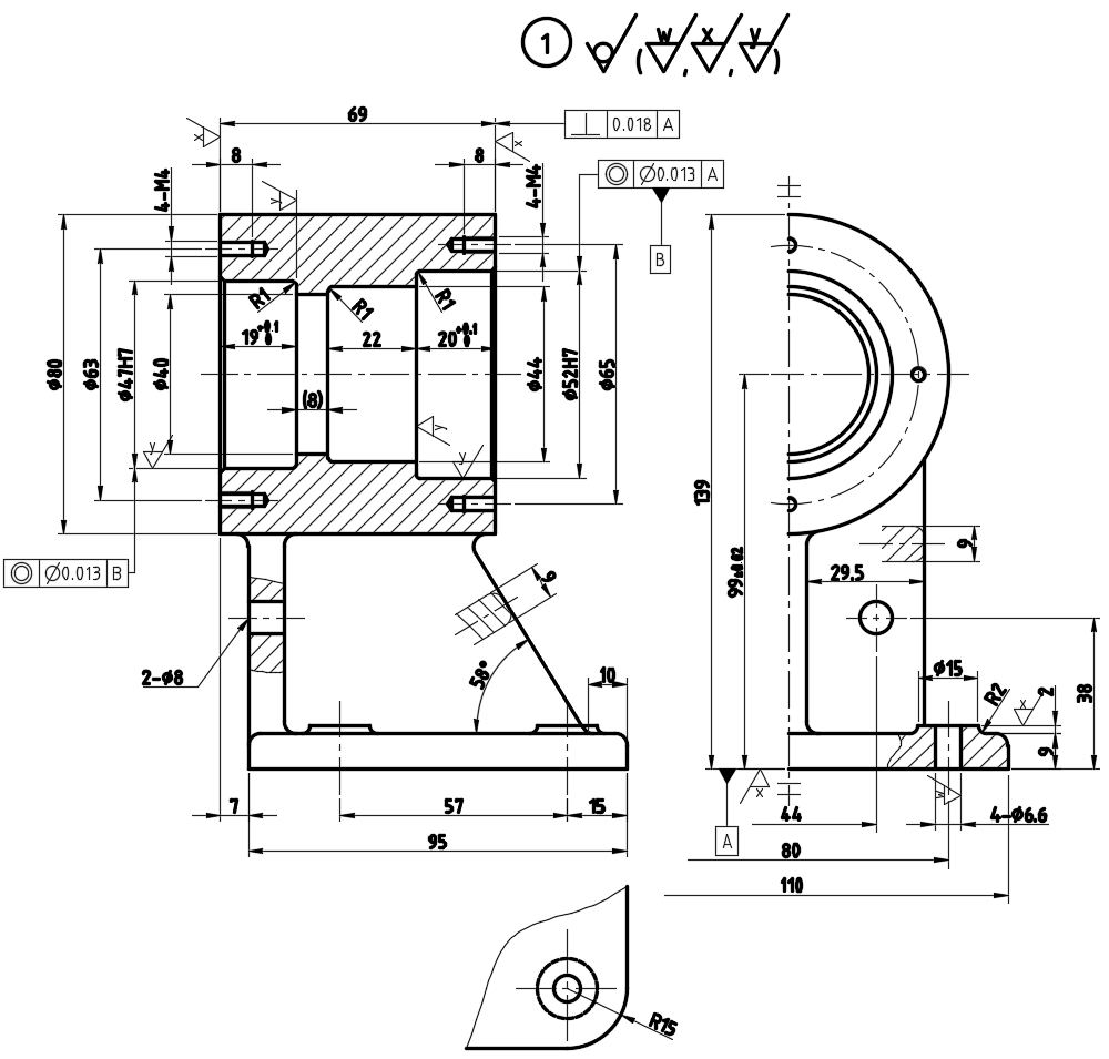
0, PPT내용 이미지 URL
하단 이미지 참조
1, 도면에서 치수란?
도면에서 '치수'는, 가장 부분입니다.
형상의 제도가 완벽해도, 치수가 올바르지
못하면, 정상적인 제품을 제작할 수 없습니다.
결국, 불량품이 만들어 질 수 밖에 없습니다.
따라서, 치수는 적절한 곳에 정확하게 기입하는 것이 원칙입니다.
2, 도면에서 치수의 표시방법
도면에서 '치수 표시'는, 2개의 지점이나 선, 평면, 곡선, 수치가 필요한 관계 등에 길이를 포함하여, 폭, 깊이, 크기, 간격, 각도, 한계, 오차(일반공차, 끼워맞춤공차, 기하공차) 등을 수치 등으로 표현하는 것을 말합니다
도면의 치수는, 가공 여유를 포함하지 않는 최종 ‘마무리 치수’로 기입하며,
치수선과 화살표, 치수보조선, 지시선 등의 치수기입 요소로 구분합니다. (*도면 예시 참조)
3, 치수의 보조기호
상단 PPT내용 이미지 URL 참조
4, 치수 문자의 표시방법
우리나라는 mm 단위를 사용하며, 치수뒤에 단위는 생략합니다.
또한, 천단위는 콤마(,)를 사용하고, 소수점은 마침표(.)를 사용합니다.
또한, 각도는 도(˚), 분(′), 초(″)를 사용합니다.
5, 도면 치수기입의 원칙
(0) 치수는, 제작하는 현장의 설명서이므로 현장에서 이해하기 쉽도록, 현장의 입장에서 표시합니다.
(1) 치수는 주로, ‘주투상도’에 집중하여 표시하고, 부분적인 특징에 따라서 평면도나 측면도 등인 부투상도에도 표시합니다.
(2) 치수는 형상의 기능이나 제작, 조립 등에 필요한 치수로 명확하게 표시합니다.
(3) 치수는 되도록 계산이 불필요하도록, 그리고 중복치수는 피해 표시합니다.
(4) 관련된 치수끼리는 되도록 한 곳에 모아 표시합니다.
(5) 전체 길이와 높이, 폭 치수는 반드시 기입합니다. (소재 구매와 준비를 위함)








