마스터캠 X9 버젼을 활용하여, 머시닝센터 MCT 2D 캠 디자인과 NC 프로그램을 생성합니다.
2D 가공과 2.5D 가공, 3D 가공... 등의 가공부의 형상에 따른 구분을 짓고 있습니다.
여기서는, 2D 형상에 필요한 캠 디자인과 NC 프로그램을 수행합니다.
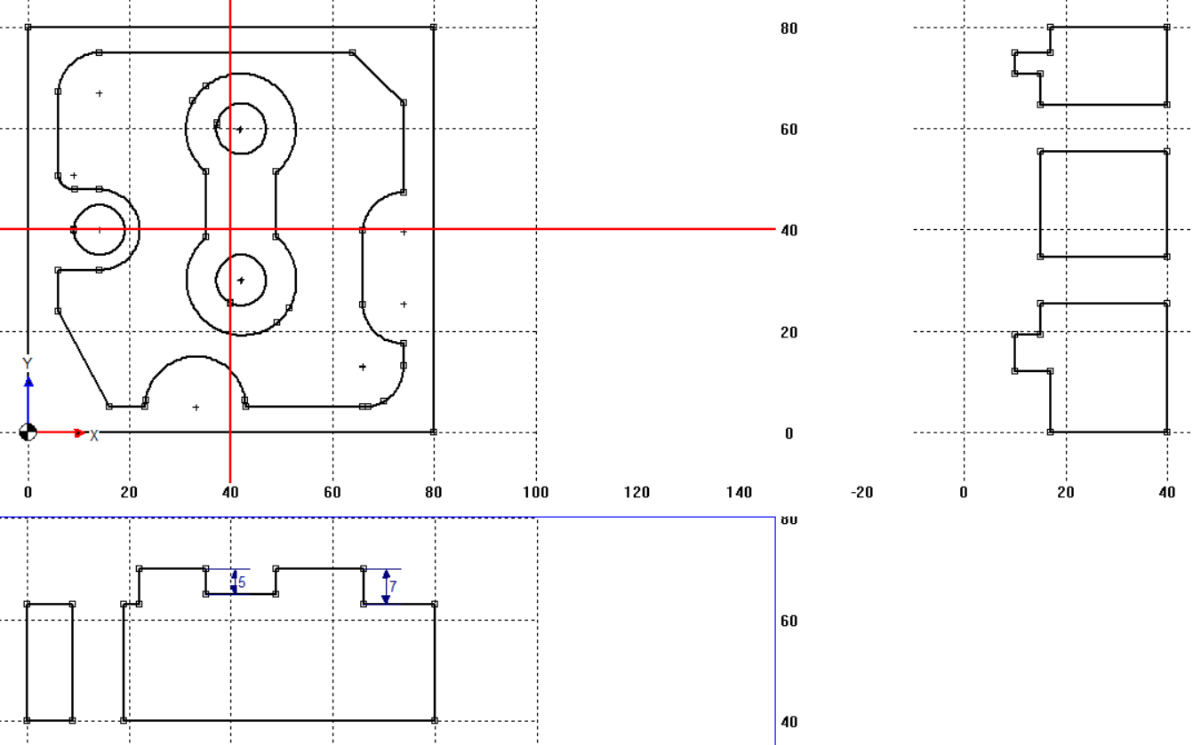
마스터캠의 스케치 기능을 활용하여, 툴패스를 생성한 공작물 형상을 디자인합니다.
혹은, 캐드 파일 dwg 또는 dxf 파일을 오픈하여 사용합니다.
스케치를 완성하면, 속성의 공작물 설정에서 마스터캠 내의 모의가공을 위한 공작물 사이즈를 설정합니다.
실제 가공되는 원소재의 크기를 설정하는 곳으로 생각하면 됩니다.
다만, 형상이 원형이나 사각형 등의 몇가지 안되는 형상을 지원하므로, 복잡한 형상이 지원되지는 않습니다.
(사실, 굳이 공작물 설정을 하지 않아도, 캠 작업이 가능합니다.)
초기 설정을 마치고, 가공 공정을 계획합니다.
페이스커터(마스터캠에서는 플레인커터)로 표면가공 후, 드릴 가공으로 센터드릴과 드릴 작업을 수행합니다.
황삭 평엔드밀로 윤곽과 포켓을 가공하고, 정삭 평엔드밀로 황삭 윤곽과 정삭 윤곽을 또 가공합니다.
탭드릴로 탭 가공 및 챔퍼밀로 모따기 가공 후 작업 공정을 마칩니다.
여기서는 추가적으로 선형배열가공을 추가하여 G55 공작물 좌표를 추가한 1개의 복사 캠 NC 코드를 생성합니다.
공구관리자에서, 사용된 공구 목록을 레포트로 생성하고, 툴리스트로 활용하고,
NC 프로그램을 생성합니다.
사용하는 장비에 맞게 포스트를 셋팅하는 것이, 일반적이나 여기서는 마스터캠에서 제공하는 포스트를 사용하여 NC 프로그램을 생성합니다. 필요시 장비에 맞게 수작업 수정을 하여도 됩니다.
완성된, NC 프로그램은 V-CNC에서 모의 기계가공으로 실제가공 조건으로 모의가공 및 완성품 치수 검사(검증)으로 작업을 완료합니다.








